Bulk Handling Solutions

Solutions for water treatment operators

SIL - Storage Silos

With more than 37 years of experience in silo design and fabrication, CON-V-AIR and CAMFAB forms a synergy that blends engineering, designing and fabrication for standard or made-to-order applications. Its robust construction makes our silo durable and sturdy during transport, installation and operation. CON-V-AIR's storage systems are optimized for maximum on-site storage capacity while minimizing required space. CON-V-AIR design and offers both welded and bolted silos that can be delivered equipped with properly sized ancillaries such as dust collector and bin activation systems.

Applications

  • Food processing
  • Power Plant
  • Plastic Insdustry
  • Mining
  • Waster Water / Water Treatment

Capabilities

  • CWB W47.1 (W59) and ISO 9001:2015
  • In-house quality control
  • Durable coating according to any applications
  • OEM system installation
  • Silo erection at factory for dry-fit inspection

Configurator

Configurator options

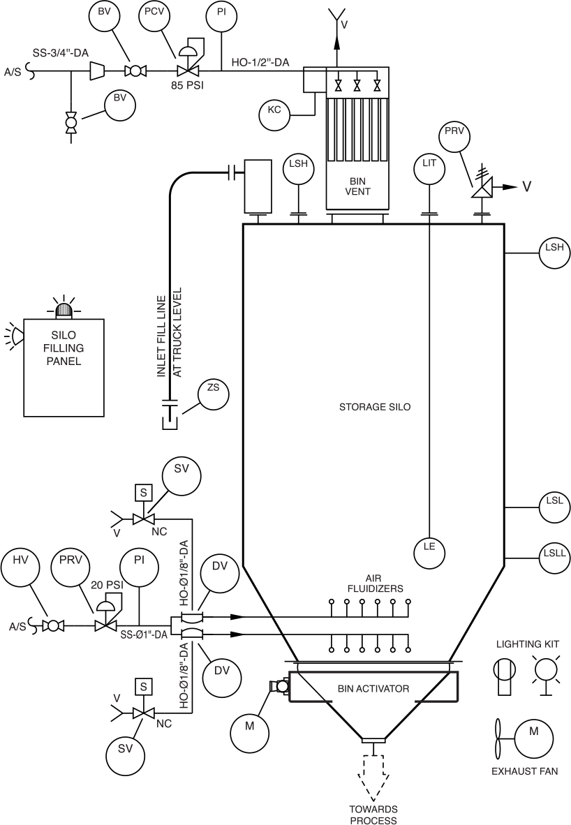
Process and Instrumentation Diagram

Dimensions Table

Capacity Chart