Manutention de vrac solide

Solutions pour le traitement de l'eau

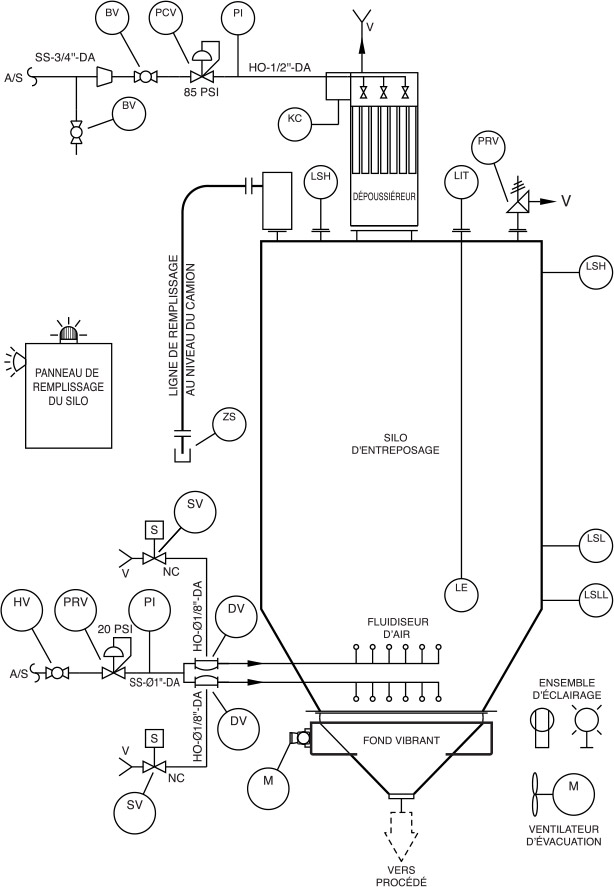
Silo d'entreposage

Avec plus de 37 ans d'expérience dans la conception et la fabrication de silos, CON-V-AIR et CAMFAB forment une synergie qui allie ingénierie, conception et fabrication pour des applications standards ou sur mesure. Sa construction robuste rend notre silo durable et solide pendant le transport, l'installation et le fonctionnement. Les systèmes d'entreposage de CON-V-AIR sont optimisés pour une capacité de stockage maximale sur site tout en minimisant l'espace requis. La conception CON-V-AIR propose des silos soudés et boulonnés qui peuvent être livrés équipés d'accessoires de taille appropriée tels que des systèmes d'activation de produit et de dépoussièrage.

Applications

  • Alimentaire
  • Centrales électriques
  • Industrie du plastique
  • Minier
  • Traitement des eaux

Capacités

  • CWB W47.1 (W59) et ISO 9001:2015
  • Contrôle qualité à l'interne
  • Revêtement durable selon toutes les applications
  • Installation système pour fabricant d'équipement d'origine
  • Préassemblage et Préfilage en usine avant la livraison

Configurateur

Options du configurateur

Diagramme de procédé et d'instrumentation

Tableau des dimensions

Charte des capacités